Journal of Applied Science and Engineering

Published by Tamkang University Press

1.30

Impact Factor

2.10

CiteScore

Xiaotong Lu1This email address is being protected from spambots. You need JavaScript enabled to view it., Hongmin Yang1,2,3This email address is being protected from spambots. You need JavaScript enabled to view it., Liwei Chen1,2,3, and Danhui Wang1

1College of Safety Science and Engineering, Henan Polytechnic University, Jiaozuo 454003, China

2State Collaborative Innovation Center of Coal Work Safety and Clean-efficiency Utilization, Jiaozuo 454003, China

3Engineer Research Center of Minister of Education for Coal Mine Disaster Prevention and Emergency Relief, Jiaozuo 454003, China


 

Received: August 14, 2025
Accepted: October 28, 2025
Publication Date: December 28, 2025

 Copyright The Author(s). This is an open access article distributed under the terms of the Creative Commons Attribution License (CC BY 4.0), which permits unrestricted use, distribution, and reproduction in any medium, provided the original author and source are cited.


Download Citation: ||https://doi.org/10.6180/jase.202607_30.024  


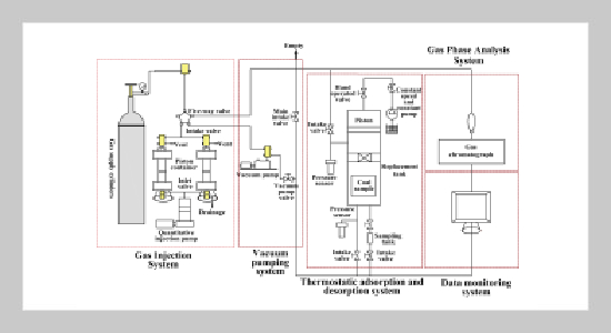
Two types of experiments were designed to systematically analyze the mechanisms regulating gas adsorption by the wet phase state of the coal body and the critical moisture. Water vapor adsorption experiments at variable relative humidity (0-97% RH ) were used to characterize the moisture state transitions. These were combined with isothermal adsorption experiments at 25C and gas injection displacement experiments to determine the adsorption characteristics of single-component gases and post-injection displacement gases. The experimental data show that when the moisture content reaches the phase transition threshold (critical moisture content = 4.50% ), the pore water undergoes the transition from an adsorbed to a free state; the inhibitory effect of moisture content on gas adsorption diminishes with the increase of moisture content, and the rate of change in gas adsorption capacity ∆Q approaches zero near the critical moisture content. The critical moisture content values measured for the CH4/N2/CO2 system converge within the range of 4.50−4.95%. Following gas injection replacement, the total gas adsorption change ∆Qmix approaches zero at the critical moisture content, consistent with the single-component system. This confirms the universality of critical moisture content determination for gases, where N2 and CO2 can serve as substitutes.


Keywords: water vapor adsorption, moisture state of coal, critical moisture content, gas isothermal adsorption


  1. [1] Z.YinandP.Linga, (2019) “Methane hydrates: A future clean energy resource" Chinese Journal of Chemical Engineering 27(9): 2026–2036. DOI: 10.1016/j.cjche. 2019.01.005.
  2. [2] C. Xu, T. Yang, K. Wang, Q. Fu, and S. Ma, (2024) “Gas extraction of coal seam roof fractured zone in China: A review" Fuel 357: 129930. DOI: 10.1016/j.fuel.2023.129930.
  3. [3] P. Xiao, X. Huang, C. Zhang, X. Liu, B. Li, L. Chen, Z. Chen, R. Cheng, and Y. Zhao, (2024) “Research on the construction and verification of evaluation model for borehole collapse in gas extraction" Fuel 362: 130800. DOI: 10.1016/j.fuel.2023.130800.
  4. [4] H.Xue,X.Gui,G.Wang,X.Yang,H.Gong,andF.Du, (2024) “Prediction of gas drainage changes from nitrogen replacement: A study of a TCN deep learning model with integrated attention mechanism" Fuel 357: 129797. DOI: 10.1016/j.fuel.2023.129797.
  5. [5] L. Wang, L. Hu, H. Guo, Z. Wang, Y. Xiao, and Z. Zhang, (2025) “Differences in CH4 Displacement Efficiency by CO2/N2 Injection in Anthracite under Isobaric and High Pressures: Molecular Dynamics Insights" Energy & Fuels 39(4): 1959–1970. DOI: 10.1021/acs. energyfuels.4c05241.
  6. [6] L. Wang, Z. Deng, X. Wang, Z. Wang, L. Hu, and P. Zhao, (2024) “Mechanisms of Methane Displacement by CO2/N2 Injection in Tectonic Coal under Different Gas-Driving Modes" Natural Resources Research 33: 405–420. DOI: 10.1007/s11053-023-10288-z.
  7. [7] K. Zhang, X. -F. Liu, D. -B. Wang, B. Zheng, T.-H. Chen, Q. Wang, H. Bai, E.-D. Yao, and F.-J. Zhou, (2024) “A review of reservoir damage during hydraulic fracturing of deep and ultra-deep reservoirs" Petroleum Science 21(1): 384–409. DOI: 10.1016/j.petsci.2023.11.017.
  8. [8] M. Chen, S. Masum, andH.Thomas, (2021) “Modeling Adsorption and Transport behavior of Gases in Moist Coal Matrix" Energy & Fuels 35(16): 13200–13214. DOI: 10.1021/acs.energyfuels.1c01334.
  9. [9] Z. Liu, M. Zhu, H. Yang, P. Hu, and Q. Gu, (2024) “Dynamic evolution process and application of gas dis placement by water injection in gas-bearing coal bodies" International Journal of Heat and Mass Transfer 224: 125352. DOI: 10.1016/j.ijheatmasstransfer.2024.125352.
  10. [10] Y. Li, C. Zhai, Y. Sun, J. Xu, X. Yu, and T. Huang, (2023) “Characterizing water vapor adsorption on coal by nuclear magnetic resonance: Influence of coal pore structure and surface properties" Energy 282: 128420. DOI: 10.1016/j.energy.2023.128420.
  11. [11] M.-y. Chen, Y.-p. Cheng, H.-r. Li, L. Wang, K. Jin, and J. Dong, (2018) “Impact of inherent moisture on the methane adsorption characteristics of coals with various degrees of metamorphism" Journal of Natural Gas Science and Engineering 55: 312–320. DOI: 10.1016/j.jngse.2018.05.018.
  12. [12] B. Song, X. Zhai, T. Ma,B.Wang,L.Hao,andY.Zhou, (2023) “Effect of water immersion on pore structure of bituminous coal with different metamorphic degrees" Energy 274: 127449. DOI: 10.1016/j.energy.2023.127449.
  13. [13] H.Yang,N.Kang,X.Chen,andY.Liu,(2023) “Exploring the inhibitory effect of H2O on CO2/CH4 adsorption in coal: Insights from experimental and simulation approaches" Energy 284: 129317. DOI: 10.1016/j.energy.2023.129317.
  14. [14] H. Yang, X. Lu, N. Kang, and K. Zhou, (2024) “Investigation of the Impact of Moisture in Various States on the Adsorption of CH4, N2, and CO2 by Coal" ACS omega 9(44): 44785–44793. DOI: 10.1021/acsomega.4c07996.
  15. [15] D.-F.Zhang,Y.-J. Cui, B. Liu, S.-G. Li, W.-L. Song, and W.-G. Lin, (2011) “Supercritical Pure Methane and CO2 Adsorption on Various Rank Coals of China: Experiments and Modeling" Energy & Fuels 25(4): 1891–1899. DOI: 10.1021/ef101149d.
  16. [16] Y. Gensterblum, A. Merkel, A. Busch, and B. M. Krooss, (2013) “High-pressure CH4 and CO2 sorption isotherms as a function of coal maturity and the influence of moisture" International Journal of Coal Geology 118: 45–57. DOI: 10.1016/j.coal.2013.07.024.
  17. [17] W. Zha, B. Lin, T. Liu, T. Liu, W. Yang, and X. Zhang, (2024) “Effect of the pore structure characteristics of coal samples on the dynamic adsorption of water vapor" Fuel 366: 131365. DOI: 10.1016/j.fuel.2024.131365.
  18. [18] M. Chen, X. Chen, X. Zhang, F. Tian, W. Sun, Y. Yang, and T. Zhang, (2022) “Experimental Study of the Pore Structure and Gas Desorption Characteristics of a Low-Rank Coal: Impact of Moisture" ACS omega 7(42): 37293–37303. DOI: 10.1021/acsomega.2c03805.
  19. [19] Q. Zhang, X. Liu, B. Nie, W. Wu, and R. Wang, (2022) “Methane sorption behavior on tectonic coal under the influence of moisture" Fuel 327: 125150. DOI: 10.1016/j.fuel.2022.125150.
  20. [20] L. Hong, J. Lin, D. Gao, D. Zheng, and W. Wang, (2024) “Molecular simulation of the effect of water content on CO2, CH4, and N2 adsorption characteristics of coal" Scientific Reports 14(1): 18190. DOI: 10.1038/s41598 024-69113-z.
  21. [21] L. Si, H. Zhang, J. Wei, B. Li, and H. Han, (2021) “Modeling and experiment for effective diffusion coefficient of gas in water-saturated coal" Fuel 284: 118887. DOI: 10.1016/j.fuel.2020.118887.
  22. [22] H. Song, B. Li, J. Li, C. Tang, H. Wang, and Z. Chen, (2025) “Study on gas adsorption and kinetics in coal under the coupled effects of moisture and particle size" Chemical Engineering Journal 520: 166317. DOI: 10.1016/j.cej.2025.166317.
  23. [23] H. Wu, Y. Yao, Y. Zhang, and S. Emmanuel, (2025) “Methane adsorption amount and kinetics in coal with pre adsorbed water" Physics of Fluids 37(5): 052019. DOI: 10.1063/5.0271862.
  24. [24] H.Guo, L. Yuan, Y. Cheng, K. Wang, C. Xu, A. Zhou, J. Zang, and J. Liu, (2018) “Effect of moisture on the desorption and unsteady-state diffusion properties of gas in low-rank coal" Journal of Natural Gas Science and Engineering 57: 45–51. DOI: 10.1016/j.jngse.2018.06. 045.
  25. [25] J. Jiang, H. Peng, Y. Cheng, L. Wang, C. Wang, and S. Ju, (2023) “Effect of Moisture on Time-Varying Diffusion Properties of Methane in Low-Rank Coal" Transport in Porous Media 146(3): 617–638. DOI: 10.1007/s11242 022-01876-3.
  26. [26] S. Li, S. Wu, B. Wang, J. Zhang, and L. Wang, (2024) “Investigation of desorption and diffusion of gas within low rank bituminous coal under moisture-stress constraints" Fuel 373: 132320. DOI: 10.1016/j.fuel.2024.132320.
  27. [27] A. Pajdak, (2020) “Studies on the influence of moisture on the sorption and structural properties of hard coals" International Journal of Greenhouse Gas Control 103: 103193. DOI: 10.1016/j.ijggc.2020.103193.
  28. [28] S. Zhou, Q. Sun, P. Li, H. Huang, Z. Tian, and E. Zhang, (2023) “Study on the pore structure and radon emission characteristics of typical rocks in the Lintong area" Bulletin of Engineering Geology and the Environment 82(7): 251. DOI: 10.1007/s10064- 023 03285-2.
  29. [29] H.Yang,K.Zhou,L.Chen,X.Lu,andN.Kang,(2024) “Differential Analysis of Various Moisture Phases on N2 Displacement of CH4in Coal" ACSomega9(13):15633 15640. DOI: 10.1021/acsomega.4c00507.
  30. [30] X. Fang, B. Tan, H. Wang, F. Wang, T. Li, B. Wan, C. Xu, and Q. Qi, (2024) “Experimental study on the displacement effect and inerting differences of inert gas in loose broken coal" Energy 289: 130102. DOI: 10.1016/j.energy.2023.130102.
  31. [31] C. Strydom, Q. Campbell, M. Le Roux, and S. Du Preez, (2016) “Validation of Using a Modified BET Model to Predict the Moisture Adsorption Behavior of Bituminous Coal" International Journal of Coal Preparation and Utilization 36(1): 28–43. DOI: 10.1080/19392699.2015.1049264.
  32. [32] A. Liu, S. Liu, and K. Wang, (2022) “Moisture Retention and Multi-mechanistic Transport Behavior in Nanoporous Coal" Langmuir 38(48): 14941–14958. DOI: 10.1021/acs.langmuir.2c02701.
  33. [33] S. Day, R. Sakurovs, and S. Weir, (2008) “Supercritical gas sorption on moist coals" International Journal of Coal Geology 74(3-4): 203–214. DOI: 10.1016/j.coal.2008.01.003.


    



 

2.1
2023CiteScore
 
 
69th percentile
Powered by  Scopus

SCImago Journal & Country Rank

Enter your name and email below to receive latest published articles in Journal of Applied Science and Engineering.