About
Organization
Aims and Scope
Editor’s Letter
Editorial Board
News
Articles
List of Issues
For Authors
Instructions for Authors
Article Processing Charge
Call for Papers
Open Access License Agreement
Submit Your Research
Contact
Tamkang University
Tamkang University
TKU Press
TKU Library
Journal of Applied Science and Engineering
Published by Tamkang University Press
Volume 30
Day-ahead and Intraday wind speed forecasting method based on OS-ELM model with CEEMDAN
2025-03-08
Read more
Integrating Ecological Function Evaluation into Rural Revitalization: A Sustainable Development Model of …
2025-03-08
Read more
Treatment of Copper-Contaminated Wastewater via Cementation using a Bimetallic Rotating Cylinder Reactor
2025-03-08
Read more
Enhanced X-Band Microwave Absorbing Properties of Cerium-Substituted Cobalt Ferrite Through Solid-State R…
2025-03-08
Read more
Biochar-Amended Chicken Manure, Vermicompost, and Wastewater Sludge on Hemp Growth, Heavy Metal Accumulat…
2025-03-08
Read more
Trustworthy retinopathy of prematurity diagnosis using explainable vision-language model
2025-03-08
Read more
Study of photocapacitor transient response of MAPbI3 perovskite-based solar cell devices
2025-03-08
Read more
SegNet-Based Framework for Robust Lung Tumor Segmentation from PET/CT Scans
2025-03-08
Read more
Optimal Passive Aerodynamic Control Design for Mitigating Flutter in Long-Span Bridges
2025-03-08
Read more
Influence of processing techniques on the performance of outworn denim fabric-reinforced polymer composit…
2025-03-08
Read more
Optimization-Driven Framework for High-Precision Wind Speed Forecasting: An Investigation of Advanced Com…
2025-03-08
Read more
Analysis of the Shear Strength of Expansive Soil Stabilized with Sand and Coal Bottom Ash Columns
2025-03-08
Read more
Improving the efficiency of contextual semantic matching of terms in fashion English translation based on…
2025-03-08
Read more
Research on Enterprise Financial Performance Evaluation Based on Deep Convolutional Neural Network
2025-03-08
Read more
Data-Driven Prediction and Feature Impact Analysis of Power Converter Performance in Electric Vehicles
2025-03-08
Read more
An Improved Global Convolutional Neural Network Algorithm for Civil Aviation GPS Interference Signal Reco…
2025-03-08
Read more
Fatigue Characteristics of Inorganic Micro-Powder Modified Asphalt
2025-03-08
Read more
Intelligent Interconnected Water Management System for Arid Zones using Solar Photovoltaic Power
2025-03-08
Read more
Modeling and Numerical Simulation of Infectious Disease Dynamics Combining Stochastic and Fractional Diff…
2025-03-08
Read more
PL-RSM Model of Supercritical CO2 Fast Extraction Phase of Argan Kernel Oil
2025-03-08
Read more
Construction of Cultural Tourism Integration Knowledge Graph Method Based on Multimodal Large Models
2025-03-08
Read more
Zero-carbon industrial park source-grid-load-storage coordinated optimisation incorporating green electri…
2025-03-08
Read more
Emotion Recognition in Art Creation Using Visual Image Analysis Techniques
2025-03-08
Read more
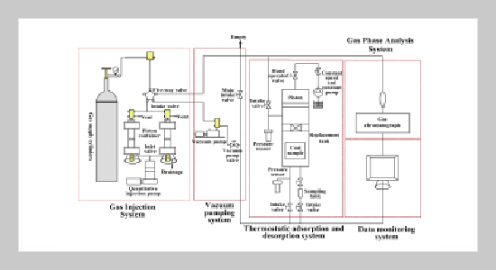
Exploration of critical moisture content of coal based on CH4, N2, and CO2 adsorption experiments
2025-03-08
Read more
SLQ: Lightweight-Detection & LLM-Generation SQL SelfOptimization Framework
2025-03-08
Read more
DBDW: A Dual-Branch Database Workload Prediction Model
2025-03-08
Read more
Optimization of Ion Beam Elements Using Mathematical Transport Formalism
2025-03-08
Read more
A Novel Sliding Mode Filter with Implicit-Euler Discretization for Simultaneous Noise Attenuation and Der…
2025-03-08
Read more
Intelligent Manufacturing: Using Intelligent Technologies To Transform Industry
2025-03-08
Read more
[RETRACTED] Yoga injury risk prediction model based on generative adversarial network
2025-03-08
Read more
Enhanced Control of Overhead Cranes with Input Shaping Integrated Proportional Derivative Sliding Mode Co…
2025-03-08
Read more
Numerical simulation of interface dip angle on hydraulic fracture propagation path in composite coal rock…
2025-03-08
Read more
A Resource-Aware Multi-Agent Reinforcement Learning Framework for Personalized English Teaching
2025-03-08
Read more
Multi-Source Spectral Learning without target-data via Dual Regression Heads and Performance-Driven Domai…
2025-03-08
Read more
Hybrid Self-Attention with Lightweight Gating for ChineseEnglish Neural Machine Translation
2025-03-08
Read more
Sequential Bound Constrained Minimization Method for Solving Complex Process System Optimization Problems…
2025-03-08
Read more
Three-dimensional Large Eddy Simulation of the Effect of Spacing on the Flow Field Dynamic Characteristic…
2025-03-08
Read more
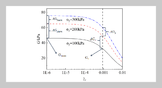
Experimental Study on Dynamic Shear Modulus Characteristics of Unsaturated Silt Soils in the Yellow River…
2025-03-08
Read more
Prediction of coal mine gas emission based on SHSCOABiLSTM model
2025-03-08
Read more
Dynamic Response and Long-Term Settlement of CoarseGrained Chloride Saline Soil Subgrades Under Traffic L…
2025-03-08
Read more
1
2
3
4
1
2
3
4