About
Organization
Aims and Scope
Editor’s Letter
Editorial Board
News
Articles
List of Issues
For Authors
Instructions for Authors
Article Processing Charge
Call for Papers
Open Access License Agreement
Submit Your Research
Contact
Tamkang University
Tamkang University
TKU Press
TKU Library
Journal of Applied Science and Engineering
Published by Tamkang University Press
Volume 28, Issue 4
Motion simulation and finite element analysis of knee prosthesis with implant
2025-03-15
Read More
Design and Implementation of Water Jet Device
2025-03-15
Read More
Turnover Prediction in Human Resource Management via Deep Variational Information Bottleneck
2025-03-15
Read More
An interactive deep learning method for fine-grained image classification
2025-03-15
Read More
New Class of Generalized Convex Functions and Its Applications to Optimization Problems
2025-03-15
Read More
Solution of Linear Fuzzy Stochastic Ordinary Differential Equations Using Homotopy Perturbation Method
2025-03-15
Read More
Experimental study on corrosion behavior of N20 steel by HCO3- concentration in multiple-ions coexisting …
2025-03-15
Read More
Utilizing Gaussian Process Regression Model Enhanced by Metaheuristic Algorithms to Forecast Undrained Sh…
2025-03-15
Read More
Evaluation of Wire Mesh Electrowet Coalescer to Remove Emulsified Water from Diesel Fuel
2025-03-15
Read More
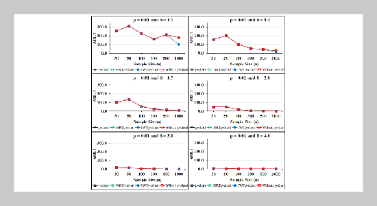
Improved Wald Transformation p-Chart for Nonconforming Fraction
2025-03-15
Read More
Research on Settlement Control and Slope Stability of Prefabricated Beam Field for High Fill Roadbed in M…
2025-03-15
Read More
Similarity Solution of Unsteady Convective MHD Flow of Viscous Incompressible Fluid Over an Inclined Poro…
2025-03-15
Read More
Approach for determining cut-off values for electric motorcycle swap battery before the end-of-life in th…
2025-03-15
Read More
Optical Solution Parameter Dynamics By Variational Principle: Parabolic And Dual–Power Laws (Super–Gauss…
2025-03-15
Read More
A New Onboard Calibration Strategy for Three-Axis Magnetometers in Low Earth Orbit Satellites
2025-03-15
Read More
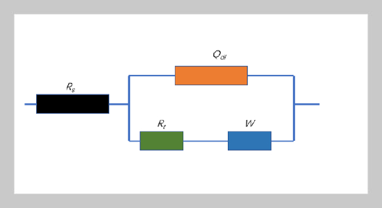
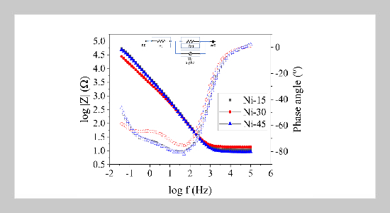
Ni Layer Fabrication in Various Temperature of Watts Solution
2025-03-15
Read More
Stochastic Operation of Multi-Carrier Microgrid Leveraging Dynamic
2025-03-15
Read More
Design Of CCM Boost Converter Using Fractional-Order Pid and Backstepping Techniques for Power Factor Cor…
2025-03-15
Read More
A PQ Control Strategy using Feedback Linearization Theory for a Three-phase Four-wire Grid-Connected Inve…
2025-03-15
Read More
Multi-granularity Contrastive Learning for Tourism Recommendation
2025-03-15
Read More
1
2
1
2