About
Organization
Aims and Scope
Editor’s Letter
Editorial Board
News
Articles
List of Issues
For Authors
Instructions for Authors
Article Processing Charge
Call for Papers
Open Access License Agreement
Submit Your Research
Contact
Tamkang University
Tamkang University
TKU Press
TKU Library
Journal of Applied Science and Engineering
Published by Tamkang University Press
Volume 27, Issue 8
Integrating FMEA and WASPAS in a fuzzy environment to risk assessment and ranking: A Real-life Case Study…
2025-03-15
Read More
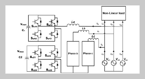
Improved voltage balancing scheme for the MLI based DSTATCOM with Sliding Mode Controller
2025-03-15
Read More
Supply chain resource integration method under 4PL mode based on associated data
2025-03-15
Read More
A novel ResNet50-based attention mechanism for image classification
2025-03-15
Read More
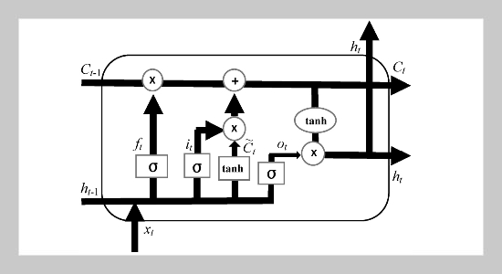
Application of time series models in forecasting the efficiency of regional digital economy development
2025-03-15
Read More
The Application Of Acoustic Detection Technology In The Investigation Of Submarine Pipelines
2025-03-15
Read More
Analysis of regional carbon emission flow considering green power distribution
2025-03-15
Read More
Analysis and application of distribution uninterrupted work factors based on Interpretative Structural Mo…
2025-03-15
Read More
The Effect of the External Counter Rotating for the Water Flow Velocity Profile of Twin Propeller System
2025-03-15
Read More
Development and Evaluation of a Novel 3D Haptic Joystick with Force Feedback Using Three Magneto-Rheologi…
2025-03-15
Read More
Sol-gel prepared of LaMnO 3 perovskite: characterisation and catalytic activity in 2-phenylbenzo[d]imidaz…
2025-03-15
Read More
Design and performance analysis of a new uncoupled radial hybrid magnetic bearing
2025-03-15
Read More
Analytical and numerical solutions of flow in and around a fracture within a porous media: Application to…
2025-03-15
Read More
Study on the conductivity of graphite modified asphalt concrete for snow melting and deicing based on mod…
2025-03-15
Read More
Chinese-English machine translation model based on transfer learning and self-attention
2025-03-15
Read More
1
2
1
2