About
Organization
Aims and Scope
Editor’s Letter
Editorial Board
News
Articles
List of Issues
For Authors
Instructions for Authors
Article Processing Charge
Call for Papers
Open Access License Agreement
Submit Your Research
Contact
Tamkang University
Tamkang University
TKU Press
TKU Library
Journal of Applied Science and Engineering
Published by Tamkang University Press
Volume 27, Issue 2
Biorefinery approaches for production of cellulosic ethanol fuel using recombinant engineered microorgani…
2025-03-15
Read More
SVM-based Gait Control Method for Hydraulic Quadruped Robots
2025-03-15
Read More
Effect Of Waste Plastic Strip On The Shear Strength And Permeability
2025-03-15
Read More
Quantized Output Observer-based Data Driven Model-free Adaptive Control
2025-03-15
Read More
Research on transmission control method of tension tower hydraulic tension device based on PLC
2025-03-15
Read More
Study on the Surface Integrity of TC4 “I” Type Component by Robot 2 Laser Welding
2025-03-15
Read More
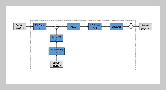
A Novel U-Net Model Based on Multi-channel Attention Mechanism for Art Aesthetics Image Automatic Segment…
2025-03-15
Read More
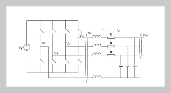
Active Voltage Control (AVC) for Reducing Three-phase Voltage Fluctuations
2025-03-15
Read More
Assessment of the Effects of Soil-Structure Interaction on the Seismic Response of the RC Frame Buildings…
2025-03-15
Read More
Optimization Design and Characteristic Analysis of the New Magnetic Steel Structure Electromagnetic Actua…
2025-03-15
Read More
Efficient Hindsight Experience Replay with Transformed Data Augmentation
2025-03-15
Read More
Analysis Of Mobile Users’ Activities Using 2 Mean-Normalization Method
2025-03-15
Read More
Prescribed Performance Function Based Sliding Mode Control of Opposing Pneumatic Artificial Muscles to En…
2025-03-15
Read More
Optimization of flexural properties of glass/carbon/durian skin fiber reinforced polymer composites using…
2025-03-15
Read More
Sensor Condition Monitoring Incorporating Fault-tolerant Control
2025-03-15
Read More
1
2
1
2