About
Organization
Aims and Scope
Editor’s Letter
Editorial Board
News
Articles
List of Issues
For Authors
Instructions for Authors
Article Processing Charge
Call for Papers
Open Access License Agreement
Submit Your Research
Contact
Tamkang University
Tamkang University
TKU Press
TKU Library
Journal of Applied Science and Engineering
Published by Tamkang University Press
Volume 28, Issue 2
Enhanced Numerical Analysis of Magneto-Electro-Elastic Beams Using Stabilized Nodally integrated Meshfree…
2025-03-15
Read More
Multi-level Semantic Fusion Network for Few-shot Multimedia Image Recognition in Education Management
2025-03-15
Read More
Enhancing Traffic Flow Prediction in the Presence of Missing Data through Spatio-Temporal Causal Graphs
2025-03-15
Read More
Numerical analysis of crack growth in a multi-layer composite tank under thermal and mechanical loading
2025-03-15
Read More
Image Style Transfer Based on Generative Adversarial Network and Feature Transformation for Modern Home D…
2025-03-15
Read More
Optimisation of No-Wait Flowshop Scheduling Under Maketo-Order Supply Chain System
2025-03-15
Read More
Dynamic Analysis of the UHPFRC High-rise Building under High Explosion using Coupled Eulerian-Lagrangian …
2025-03-15
Read More
Research on the Time-Varying Relationship between Macroeconomic Variables and the Stock Market Volatility…
2025-03-15
Read More
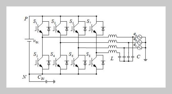
Improved Dual-vector Model Predictive Control for Common-mode Voltage Constant on a Grid-connected Invert…
2025-03-15
Read More
Assessment of the optimal gold recovery rate through heap leach extraction process from hydrothermal alte…
2025-03-15
Read More
Analyzing Glass Configurations For Energy Efficiency In Building Envelopes: A Comparative
2025-03-15
Read More
Using the non-dominated sorting genetic algorithm II for multi-objective optimization of acoustic perform…
2025-03-15
Read More
Response Prediction Analysis of RC Frame Structures Using Support Vector Machine Algorithm
2025-03-15
Read More
Short-time prediction model for cross-section passenger flow in urban transit trains using GCN-AM-BiLSTM
2025-03-15
Read More
Optimization of Ultrasound-Assisted Pectin Extraction from Durian Rind
2025-03-15
Read More
NSGA-II Algorithm-Based Wide Area Measurement (WAMS) Allocation with Considering Reliability
2025-03-15
Read More
Single Shot MultiBox Detector-based Feature Fusion Model for Building Object Detection
2025-03-15
Read More
Alkaline pretreatment of banana pseudostem waste for green cellulose fiber composite materials
2025-03-15
Read More
Influence of Calcium Carbonate Content on Properties of Natural Rubber and Acrylic Blends for Coating App…
2025-03-15
Read More
Application of RSM for the Optimization of Steel Fibre Reinforced Concrete Quality at Elevated Temperatur…
2025-03-15
Read More
1
2
1
2